The first step in defining the Logical sub-block is to create a new view for it. This will create a new hierarchichal level of design files and allow you to define the behavior of this sub-block with one of the standard Renoir view: block-diagram, flowchart, state machine, truth table, or VHDL architecture.
For the Logical sub-block we will be creating a new block-diagram view. This is done by positioning the pointer over the blue rectangle representing the block and right-clicking to bring up the pop-up menu. From this menu, at the top, highlight the Open View item and from the sub-menu select New View. A window will appear asking you what type of view you want to create. Select block diagram view from the list and hit OK.
A new design window should appear resembling Figure 1. Notice that there are already input and output ports and busses placed on the design. This is because the design unit symbol, the blue rectangle on the parent design, already has signals connected to it. These signals connected to the outside of the symbol are automatically reflected by ports inside the design unit.
The logical unit will perform one of four operations: AND, OR, XOR, or NOR. Each of these operations will be performed in parallel on the inputs and the output will be selected by a 32-bit wide 4-1 mux controlled by the ALUOp(1 downto 0) signals. The encodings for the operations are in this table:
|
|
|
|
|
|
|
|
|
|
|
|
|
|
|
|
|
|
|
|
There are many different ways in which this functionality could be implemented. What we will be doing is using embedded blocks to place fragments of VHDL code into the block diagram which will perform the important logical operations.
First, select the embedded block tool from the toolbar
by pressing the
button. Then
position the pointer over the block diagram between the input and
output ports and left-click to place an embedded block.
The embedded block appears as a yellow rectangle. Place
five embedded blocks on the diagram in the same manner that you
placed the sub-blocks in the top level block diagram. Label
the four columned blocks, from top to bottom: ANDBlock,
ORBlock, XORBlock, and NORBlock and the
other embedded block Mux4Bus32. Your design area should now
look like Figure 2.
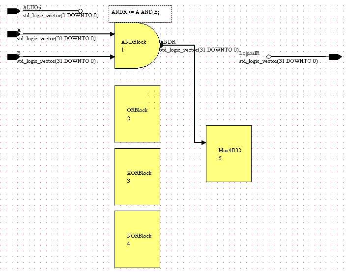
For cosmetic purposes, it would be nice to have our ANDBlock represented by a symbol which resembles an AND gate. Renoir has a small number of alternative shapes for blocks. To change the shape, right-click over the ANDBlock block. At the bottom of the pop-up menu will be an option called Change Shape. Select this option. From the window which appears, select AND as the desired shape. Your block diagram should now look like Figure 3.
Embedded blocks will place fragments of VHDL code at the top level of the architecture description for the current block. Generally we will be using them to place what are called Concurrent Commands which will perform simple operations on data. Since the embedded block VHDL code will be at the top level architecture for the view, all of the signals in that view are automatically visible to the embedded block and it is not necessary to actually connect signals to them.
For ease of reading, we will connect the input and output signals to the blocks. So, connect the A and B busses to the left side of our ANDBlock. You may also wish to resize the block to make it a little bit smaller. Then create a new bus from the output (right) side of the ANDBlock called ANDR and connect it to the input side of the Mux4Bus32 block.
Finally, we must tell the embedded block what to do. The VHDL code which will Bitwise-AND two std_logic_vectors of the same size together is: "ANDR <= A AND B;". To enter this code for the block, right-click over the embedded block and open a new view. The new view will be restricted to a type called Text. An outlined box will appear anchored to the ANDBlock embedded block. Highlight the text in this box and replace it with the VHDL code ANDR <= A AND B;. You can resize and reposition the text as you like. Your block diagram should now resemble Figure 4.
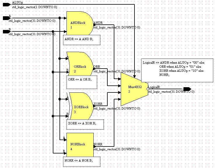
Now finish the block diagram by changing the shapes of the OR, XOR, and MUX blocks (there is no NOR symbol, so leave that alone for now.) and giving them the following embedded text:
ORR <= A OR B;
XORR <= A XOR B;
NORR <= A NOR B;
Mux4B32:
LogicalR <= ANDR when ALUOp = "00" else
ORR when ALUOp = "01" else
XORR when ALUOp = "10" else
NORR;
Your final block diagram should appear as in Figure 5. Save this block and generate and examine the VHDL code for it.
You have now completely specified the behavior of the Logical sub-block of the ALU. However, we do not yet know if it works correctly. In order to determine this, we will start with an introduction to the ModelSim simulator in Simulating the Logical Sub-Block.